Přejít na obsah
Plavidla.cz

Hall696

Uživatelé
  • Počet příspěvků

    5
  • Registrace

  • Poslední návštěva

Hall696's Achievements

Nově registrovaný

Nově registrovaný (1/14)

0

Popularita

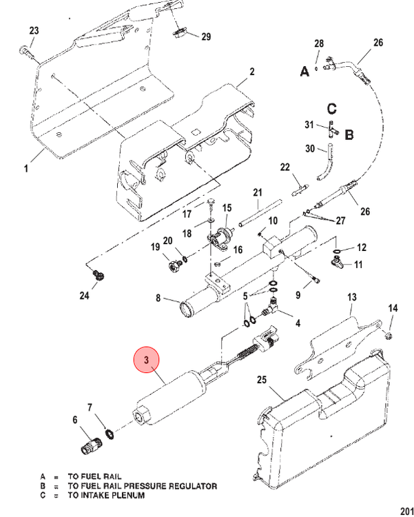
  1. Nemoc byla taková že ve vstřikovací soustavě byl vysoký tlak ,na liště má být kolem 3 atm,já měl více jak 8 ,takže směs byla hodně bohatá,svíčky úplně černý od sazí.To zřejmě vysvětlovalo,že potíže nastaly vždycky až po zahřátí motoru. Na svědomí to měl regulační ventil ,který je na chlazení paliva ,když se postavíš čelem jak jsou řemenice tak je to uplně dole na pravé straně motoru,je to pod plastovým deklem 2x tustá hadice na vodu ,pak je tam mosazný mezikus kde je ventil regulující tlak ve vstřikování,výborná věc na vyndání ,ale p Molt je hubený a skladný tak to vyndal freeobrazky celý to vypadá takto ,ten regulační ventil je číslo 15 ,koupil jsem ho jako druhovýrobu v Podolí ve Sport Marine
  2. Hezké dny všem, rád bych dal tip všem na mechanika,který mě zbavil trápení s motorem Mercruiser 7.4 mpi. Závadu odstraňovalo několik značkových i neznačkových servisů a výhradních zastoupení a originálních dílů atd. odstraňovali,diagnostikovali,seřizovali a díly měnili,ale motor se choval pořád stejně a sice po nastartování běžel normálně,po zahřátí a přidání plynu začal výkon kolísat a při následném stažení plynu to chcíplo,opakovaný start bez problémů ,po přidání se vše opakovalo. Utrpení zkončilo po zásahu viz https://marine-boat-service.com/ ,kdy pan Molt přijel zanořil se do motoru změřil tlak ve vstřikování,a určil diagnozu.Za cca 30 minut nebylo co řešit,oprava včetně jeho 2 výjezdů demontáže,montáže a testu motoru cca 5000+díly takže ještě jednou velký dík ,palec nahoru.Mohu jen doporučit.
  3. Hall696

    za čím taháte

    Díky za přivítání,ještě k tahání,kdo to zná v Týnci tak nemám problém nahoře na betonu,ale až dole ve vodě,je tam taková hrana ocelová,tak tam drhnu.U auta je zadek vzduch ale nedá se přizvednout,tak jedině parta pana Hájka /díky/ a jejich Zetor.Váha soupravy není jediný problém lod je 3 metry široká,takže nejlepší je jízda v noci a za deště ,tím se dá eliminovat nebezpečí odchytu.
  4. Hall696

    za čím taháte

    A ještě jak to vypadalo v zimovišti
  5. Hall696

    za čím taháte

    Takže hezký večer všem jsem tady nový a je to můj první příspěvěk snad to bude fungovat.K tahání- lod mám v Týnci nad Labem /Bayliner 2858 fly/ a poslušné tažné zvíře Suburban 5.3 ,vlek na lod polský výrobek Tema 3 nápravy po 1350 kg lod má 3900 suchá a vlek 650 kg ,takže máme trochu nad limit. Na autě dle legislativy us možnost vleku 5500 kg v Cz to bohužel nejde.Do vody couvám bez problému z vody jsme tahali traktorem ,protože za autem je vlek nízko a drhnem.pak po silnici už v pohodě.
×
×
  • Vytvořit...